Tranzistor
D880
D880
CJ
FAIRCHILD TO-220
In Stock: 1700 pcs
, robustní polovodičové zařízení NPN umístěné v balíčku TO-220, vyniká v zesílení zvukové frekvence a správě s vysokým zatížením.S kapacitou proudu kolektoru až 3A a schopností zvládnout napětí až do 60V je to oblíbená volba v převaděčích DC-DC, zvukových obvodech a aplikacích pro přepínání nízkých napětí.Její všestrannost, efektivita a spolehlivost účinná pro vás, abyste hledali spolehlivý výkon v různých elektronických návrzích.
Katalog
The
D880
D880
CJ
FAIRCHILD TO-220
In Stock: 1700 pcs
Transistor, rozlišovací polovodičové zařízení NPN uzavřené v balíčku TO-220, efektivní při amplifikaci zvukové frekvence.Jeho přizpůsobivost svítí v nesčetných obecných aplikacích.Se schopností manipulovat až do 3A zátěžového proudu se ukáže jako prospěšná pro provozní motory, vysoce výkonné tranzistory a relé s výraznou účinností.Taková kompetence vás odvolává v elektronice, která oceňuje spolehlivé správy s vysokým zátěží.
• Amplifikace zvukové frekvence
• Hnací motory, vysoce výkonné tranzistory a relé
• Vhodné pro profesionální i fandové projekty
Efektivní řízení zátěže tranzistoru rezonuje s praktickými potřebami a aspiracemi těch, kteří se snaží vyvíjet robustní elektronické systémy.
Tranzistor
D880
D880
CJ
FAIRCHILD TO-220
In Stock: 1700 pcs
, rozpoznaný za svou hodnotu v elektronických obvodech, obsahuje tři základní kolíky: emitor (E), základna (b) a sběratel (c).Uchopení jedinečných funkcí a dynamická souhra těchto kolíků zvyšuje všestrannost tranzistoru v široké škále aplikací.

Číslo kolíku
|
Název pin
|
Popis
|
1
|
Báze
|
Řídí zkreslení tranzistoru.Používá se k zapnutí
nebo z tranzistoru.
|
2
|
Kolektor
|
Aktuální protéká sběratelem, obvykle spojeným
zatížení.
|
3
|
Emitor
|
Aktuální odtoky přes emitor, obvykle spojené
země.
|
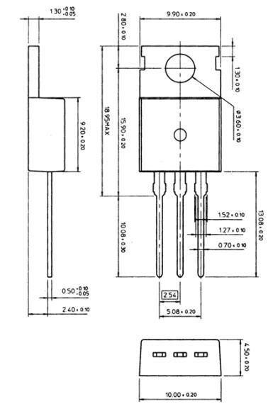
Fyzické a elektrické specifikace
Transistor
D880
D880
CJ
FAIRCHILD TO-220
In Stock: 1700 pcs
, který je uzavřen v balíčku TO-220, je příkladem odolnosti s zdatným rozptylem tepla a mechanickou stabilitou.Jako tranzistor typu NPN podporuje maximální sběratelský proud 3A, což z něj činí cenné aktivum při zesílení výkonu a přepínání.Může vydržet napětí sběratele a dosahující až 60 V, což usnadňuje různé konfigurace obvodu.
Výkon a kapacita
Schopnost tranzistoru rozptylovat 30W výkonu zvýrazňuje jeho adepties při minimalizaci ztráty energie, čímž zvyšuje úrovně výkonu v elektronických obvodech.S přechodovou frekvencí 3 MHz se ocitá doma v nastavení zvukového zesilovače a RF zpracování, což jí umožňuje sloužit ve vysokofrekvenčních aplikacích.Jeho provozní teplota v rozmezí od -55 do +150 ° C hovoří o jeho robustnosti a přizpůsobivosti, což prokazuje jeho spolehlivost v komerčním i průmyslovém prostředí.
Proudy a zisky
Zisk DC proudu, v rozmezí od 60 do 300, zdůrazňuje potenciál zesílení signálu D880, což znamená jeho význam v obvodech, které vyžadují podstatný zisk z minimálních vstupů.Tento faktor zejména ovlivňuje jeho účinnost v prostředích, kde je nezbytné přesné zlepšení signálu, například v zařízení pro zpracování zvuku.Při praktickém použití se tyto vyšší hodnoty zisku často rovnají zlepšenému výkonu v kontextech s nízkým signálem a zachovávají integritu signálu.
Odborníci často upřednostňují D880 pro svou harmonickou směs řízení energie a zesílení signálu.Pro prodloužení své životnosti a výkonu je často implementováno optimální řízení tepla, možná pomocí vhodných chladičů.Jeho spolehlivost ve všestranném prostředí je důkazem jeho rozšířené integrace v experimentálních i zavedených elektronických návrzích.Při zamyšleném využití přináší značné výhody v účinnosti a účinnosti a bez námahy se přizpůsobí různým elektrickým rámcům bez obětování funkčnosti.
Typ
|
Parametr
|
Balíček / pouzdro
|
TO-220
|
Obal
|
Nabitý trubicí
|
Napětí - rozklad emitoru kolektoru (max)
|
60V
|
Aktuální - sběratel (IC) (max)
|
3a
|
Power - max
|
30W
|
Stav ROHS
|
Rohs vyhovuje
|
Tranzistor
D880
D880
CJ
FAIRCHILD TO-220
In Stock: 1700 pcs
je flexibilní a efektivní komponenta, běžně používaná v mnoha elektronických projektech.Funguje to obzvláště dobře pro úkoly zahrnující efektivní řízení energie, přesnou kontrolu a spolehlivý provoz.Organizováním svých aplikací a použití do podrobných a strukturovaných sekcí můžete lépe porozumět jeho funkcím a jak se vztahuje na různé účely.
Aplikace pro přeměnu energie
Tranzistor D880 je vysoce oceněn v systémech konverze výkonu, zejména v převaděčích DC-DC.Tyto převaděče účinně transformují přímý proud z jedné úrovně napětí na druhou, což je nezbytné u zařízení, jako je elektronika napájená z baterií, kde je vyžadována energetická účinnost.Robustní výkon tranzistoru zajišťuje hladký provoz v těchto systémech a umožňuje zařízením optimalizovat spotřebu energie a prodloužit výdrž baterie.
Schopnosti zesílení zvuku
Ve zvukových systémech najdete D880 používaný v amplifikačních obvodech.Zvládne vysoce výkonné proudy a zlepšuje kvalitu zvuku i objem, což z něj dělá skvělou volbu pro vše od osobních zvukových zařízení po profesionální nastavení zvuku.Díky jeho schopnosti poskytovat jasné a zesílené signály s minimálním zkreslením je oblíbená u zvukových nadšenců i profesionálů.Kromě zvukových úkolů je můžete také použít v obecně účelném zesílených obvodech, kde je pro napájení silných elektronických zesilovačů zapotřebí konzistentní a spolehlivý výkon.
Přepínání aplikací v elektronice
D880 je stejně efektivní při přepínacích operacích, zejména v aplikacích vyžadujících nízké napětí a manipulaci se středním proudem.Jeho schopnost správy mírných proudových úrovní z něj činí spolehlivou volbu pro přepínání úkolů, což zajišťuje bezproblémový provoz různých elektronických zařízení.Ať už se používá k přepínání obvodů v mikrokontrolérech nebo k řízení motorů, vysoce výkonných relé a osvětlovacích systémů, D880 zajišťuje přesný a stabilní výkon.Tato všestrannost zvyšuje spolehlivost a dlouhověkost zařízení, což z ní činí klíčovou součást v automatizovaných systémech a inteligentních zařízeních.
Tranzistor D880 je multifunkční složka, plynule se přizpůsobuje široké škále technologických potřeb.Jeho duální schopnost působit jako výkonný zesilovač a spolehlivý přepínač mu umožňuje řešit rozmanité požadavky napříč průmyslovými odvětvími.Ať už to zvyšuje zvukový výkon nebo poskytuje přesnou kontrolu nad elektronickými systémy, D880 kombinuje odolnost, účinnost a flexibilitu, aby se stala primární součástí jednoduchého a komplexního elektronického nastavení.
• Nte152
• SC1826
• •
BD241
BD241
FSC
BD241 FSC TO-220
In Stock: 2230 pcs
• •
2SB834
2SB834
CJ
TO-220 97
In Stock: 19000 pcs
• •
2SC1060
2SC1060
HITACHI
771
In Stock: 2346 pcs
• •
2SC1061
2SC1061
MOSFEC
MOSFEC TO-220
In Stock: 1457 pcs
• 2Sc1173
• 2SC1226
• 2SC1226A
• 2SC1418
• 2SC1419
• •
2SC2236
2SC2236
HGF
2SC2236 TOSHIBA TO-92
In Stock: 6715 pcs
• •
2SC2500
2SC2500
TOSHIBA
2SC2500 HGF TO-92L
In Stock: 5220 pcs
• •
2SC2075
2SC2075
TOSHIBA
2SC2075 三洋 TO220
In Stock: 11518 pcs
• •
2SD1134
2SD1134
HIT
2SD1134 HIT TO220
In Stock: 8700 pcs
• 2SD1274A
• 2SC1985
• •
2SC1826
2SC1826
FAIRCHILD
2SC1826 SAK TO-220
In Stock: 2200 pcs
• BDT31
• BDT31A
• •
KSA1220
KSA1220
FAIRCHILD
786
In Stock: 1000200 pcs
• •
2N5551
2N5551
Diotec Semiconductor
BJT TO-92 160V 600MA
In Stock: 136000 pcs
• •
S8550
S8550
MDD
TRANS PNP 25V 0.5A SOT23
In Stock: 1000000 pcs
• •
BD136
BD136
onsemi
TRANS PNP 45V 1.5A TO126
In Stock: 50000 pcs
• • Tip32C
Použití tranzistoru
D880
D880
CJ
FAIRCHILD TO-220
In Stock: 1700 pcs
účinně zajišťuje stabilní a spolehlivý výkon obvodu a zároveň prodlužuje jeho životnost.Abychom toho dosáhli, je důležité provozovat tranzistor pod 20% maximálních hodnocení a udržovat bezpečnostní marži, která zabraňuje přetížení.
D880 má maximální sběratelský proud 3A, takže se doporučuje zabránit zatížení přesahujícím 2,4A, aby se snížilo stres na složce.S maximálním napětím 60 V mezi kolektorem a emitorem je nejlepší na zatížení aplikovat ne více než 48 V, aby bylo zajištěno bezpečný provoz.Překročení těchto limitů může vést k přehřátí nebo poškození.

Pro ochranu tranzistoru a udržení stabilních funkcí je nezbytné montáž vhodného chladiče.To zabraňuje nadměrnému nahromadění tepla během provozu.Kromě toho vždy udržujte provozní teplotu v rozmezí -55 ° C až +150 ° C.Zajištění správného tepelného řízení je rozhodující pro efektivitu i trvanlivost ve vašich elektronických projektech.
Dodržováním těchto preventivních opatření může tranzistor D880 fungovat efektivně a spolehlivě, což z něj činí vynikající volbu pro napájení a ovládání různých obvodů ve vašich aplikacích.

Feihong Machinery & Electrical Co., Ltd. hraje vlivnou roli v čínské výrobě topných strojů.Poskytují vybavení široce používané při vytváření různých typů topení a zdůrazňují jejich důležitost v tomto odvětví.Úspěch společnosti je hluboce zakořeněn v jejich neochvějném odhodlání k přesnosti a spolehlivosti, vlastnosti velmi vyhledávané při výrobě topných strojů.Jejich nepřetržitá snaha o dokonalost odráží jejich odolnost a přizpůsobivost.
1. Jaké jsou potenciální aplikace tranzistoru D880 v moderní elektronice?
Především je tranzistor D880 používán v obvodech s nízkofrekvenčním výkonem.Konkrétně je nedílnou součástí konstrukce zesilovače push-pull třídy B, kde se propojení NPN s komplementárními tranzistory PNP ukáže jako prospěšné.V aplikacích v reálném světě takové konfigurace účinně snižují zkreslení zvukových zesilovačů, což zvyšuje spotřební elektroniku, jako jsou systémy domácího kina a hudební nástroje, značnou hodnotu.V průběhu let odborníci poznamenali, že optimalizace souhry mezi manipulací s výkonem a stabilitou může odemknout potenciál tranzistoru.
2. Je možné nahradit D882 za D880 v návrzích obvodů?
Při zvažování nahrazení D882 za D880 se ujistěte, že napětí obvodu nepřekoná 30V a proudy zůstávají pod 3a.Správné zarovnání během výměny je zásadní, protože nový tranzistor se musí vyrovnat s existujícím nastavením pin.Zdůrazněte hodnotu komplexního testování obvodů po dozoru.Ověření, že všechny parametry jsou v harmonii se specifikacemi návrhu, zaručuje zachování integrity a funkčnosti obvodu.
3. Jaká je správná metoda pro připojení tranzistoru D880 v obvodu?
D880 má strukturu se dvěma úzce umístěnými PN křižovatkami, které rozdělují polovodič na základnu, emitor a sběratel.Šipka označuje emitor se základnou ve středu a kolektorem naproti emitoru, vše odpovídá uspořádání NPN a PNP.Zdokonalení techniky zapojení je zásadní pro efektivní výkon obvodu;I jemné nuance v orientaci kolíků mohou ovlivnit celkový provoz obvodu.Toto porozumění je v elektronických workshopech a vzdělávacích programech trvale zpevněno, kde důraz spočívá na přesnost elektronického designu a sestavení.
Sdílejte tento příspěvek